Vistas:118 Autor:Editor del sitio Hora de publicación: 2020-04-28 Origen:Sitio
La máquina laminadora de placas de tres rodillos se basa en el principio de tres puntos que forman un círculo, utilizando el movimiento giratorio del rodillo de trabajo y ajustando el cambio de la posición relativa del rodillo de trabajo para producir una deformación plástica continua de la lámina de metal, y doblándolo en un equipo cilíndrico, cónico o en arco Procesando y formando piezas de trabajo de igual forma. En este documento, basado en un análisis detallado del sistema de accionamiento del motor hidráulico del rodillo de trabajo, se explica la causa de la falla y se propone una solución razonable y factible.
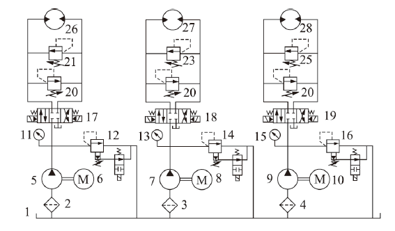
1. Principio de funcionamiento del accionamiento hidráulico del rodillo de trabajo.
La máquina laminadora de placas de tres rodillos con inclinación hacia abajo está compuesta por un mecanismo de cabeza invertida, un marco izquierdo, un rodillo de trabajo superior, dos rodillos de trabajo inferiores, un marco derecho, un motor hidráulico accionado por un rodillo de trabajo inferior y un motor hidráulico accionado por un rodillo de trabajo superior, etc., como se muestra en la Figura 1. Mostrar. El marco izquierdo y el marco derecho se instalan en toda la base con una estructura soldada y se conectan mediante bielas para aumentar la rigidez de toda la máquina. La posición del rodillo de trabajo superior es fija, y los dos rodillos de trabajo inferiores pueden moverse hacia arriba y hacia abajo a lo largo de las ranuras de guía oblicuas en los marcos izquierdo y derecho, respectivamente. El movimiento giratorio de los rodillos de trabajo es el sistema de transmisión principal, que se instala en el lado del marco derecho, y el mecanismo de cabeza invertida se instala en el lado del marco izquierdo. Los movimientos de inclinación y reinicio son controlados por el cilindro de cabeza invertida.

1. Mecanismo invertido 2. Marco izquierdo 3. Rodillo de trabajo superior 4. Dos rodillos de trabajo inferiores
5. Marco derecho 6. Motor hidráulico de accionamiento del rodillo de trabajo inferior 7. Motor hidráulico de accionamiento del rodillo de trabajo superior
Figura 1 —— Diagrama esquemático de la máquina laminadora de placa de ajuste inclinada hacia abajo
El rodillo de trabajo superior de la máquina roladora de tres rodillos es accionado por un motor hidráulico a través de un reductor planetario, y los dos rodillos de trabajo inferiores (es decir, el rodillo inferior izquierdo y el rodillo inferior derecho) son accionados directamente por el motor hidráulico. El diagrama principal del sistema de accionamiento hidráulico del rodillo de trabajo se muestra en la Figura 2, que se compone de tres circuitos hidráulicos independientes del rodillo superior, el rodillo inferior izquierdo y el rodillo inferior derecho.
Para garantizar la calidad de los productos procesados por la máquina laminadora de planchas, la velocidad de trabajo de los tres rodillos de trabajo, como el rodillo superior, el rodillo inferior izquierdo y el rodillo inferior derecho, debe ser estable y ajustable. y no se puede cambiar por la influencia de otros mecanismos para garantizar la entrega sin problemas de la placa. Dentro. El rodillo de trabajo superior y los dos rodillos de trabajo inferiores sirven como rodillos impulsores principales, que no solo pueden realizar la rotación hacia adelante y hacia atrás, sino que también proporcionan el par de bobinado para el laminado del material de lámina aplicando la presión del rodillo de trabajo superior. y los dos rodillos de trabajo inferiores. La lámina se enrolla en forma cilíndrica, cónica y de otro tipo. Para este propósito, se proporcionan tres circuitos hidráulicos especiales, es decir, cada rodillo de trabajo se suministra con un conjunto de fuentes especiales de aceite de energía hidráulica, formando un circuito hidráulico independiente que no se ve afectado por otros mecanismos, para lograr la estabilidad y el ajuste velocidad del rodillo de trabajo.
En la Figura 2, el tanque de aceite almacena aceite hidráulico, disipación de calor y suciedad en el aceite precipitado; el rodillo de succión superior, el rodillo izquierdo inferior y el filtro de succión del rodillo inferior derecho son filtros gruesos para garantizar la limpieza del aceite que ingresa a los tres circuitos hidráulicos independientes; La bomba hidráulica y su motor de accionamiento son la fuente de energía del circuito hidráulico del rodillo superior, el rodillo inferior izquierdo y el rodillo inferior derecho; los manómetros indican respectivamente la presión de trabajo de las tres salidas de la bomba hidráulica; La válvula de desbordamiento electromagnética controla el motor hidráulico del rodillo superior y la presión hidráulica del rodillo inferior izquierdo respectivamente. La presión de trabajo del motor y el motor hidráulico del rodillo inferior derecho también tiene la función de descarga para realizar la regulación de presión en dos etapas. función. Cuando el rodillo de trabajo no funciona, la descarga se utiliza para lograr el ahorro de energía; la válvula direccional electrohidráulica controla el motor del rodillo superior y el motor del rodillo inferior izquierdo El motor de avance y retroceso y parada del motor y el motor del rodillo inferior derecho; El grupo de válvulas de protección limita la presión máxima de trabajo en ambos lados del rodillo superior, el rodillo inferior izquierdo y el motor del rodillo inferior derecho. El motor de accionamiento del rodillo de trabajo es un motor cuantitativo bidireccional, que puede avanzar y retroceder para realizar el movimiento bidireccional de la placa.

1. Depósito de aceite 2. Filtro de succión del rodillo de trabajo superior 3. Filtro de succión del rodillo inferior izquierdo 4. Filtro de succión del rodillo inferior derecho 5/7/9.
Bomba hidráulica 6/8/10. Accione el motor 11/13/15. Manómetro 12/14/16. Válvula de desbordamiento electromagnética 17/18/19.
Válvula direccional electrohidráulica 20/21/22/23/24/25. Grupo de válvulas reguladoras 26. Motor hidráulico del rodillo superior 27.
Motor hidráulico del rodillo inferior izquierdo 28. Motor hidráulico del rodillo inferior derecho
Figura 2: diagrama esquemático del accionamiento hidráulico del rodillo de trabajo de la máquina dobladora de placas
2. Mejorar el diseño del esquema
El circuito hidráulico del rodillo de trabajo anterior se utiliza como ejemplo para el análisis. Cuando el motor hidráulico impulsa el rodillo superior para girar, si la válvula direccional electrohidráulica se cambia repentinamente a la posición neutral o se cambia la dirección, se generará un gran impacto, que afectará la vida útil del motor hidráulico del rodillo superior 26. En la figura 2, la válvula direccional electrohidráulica 17 tiene una función central de tipo O. Durante el proceso de conmutar la válvula direccional electrohidráulica 17 a la posición neutral para frenar el rodillo superior, la entrada y la salida del motor hidráulico 26 son ambas. La válvula direccional electrohidráulica 17 está cerrada en la posición neutral.
Debido al efecto de inercia, se forma una cámara de alta presión en la salida de aceite del motor hidráulico 26, y se forma una cámara de vacío en la entrada de aceite, es decir, aumenta la presión en el lado de salida del motor hidráulico 26, generando así la fuerza de frenado y confiando en la válvula amortiguadora en ese lado para limitar la presión Reduzca el choque hidráulico. Después de abrir el grupo de válvulas de protección 20 (o 21), el aceite del lado de alta presión se puede descargar directamente en la tubería del lado de baja presión en la cámara de vacío, y luego el aceite puede ingresar a la entrada de aceite del motor para reducir la aparición de vacío. Este método de conexión del grupo de válvulas tampón se denomina método de llenado directo de aceite, y su desventaja es que no puede compensar completamente la cantidad de aceite requerida por la entrada de aceite. Además, debido a la fuga interna del propio motor hidráulico y la válvula direccional electrohidráulica (la válvula direccional electrohidráulica utiliza una estructura de válvula de carrete), y la entrada de aceite no está conectada a la tubería de baja presión o al aceite tanque, y no puede complementarse con aceite externo. Por lo tanto, la reposición de aceite no es suficiente. Debido a la insuficiente reposición de aceite, la entrada de aceite se mantiene en estado de vacío durante mucho tiempo, lo que provoca cavitación, lo que reduce en gran medida la vida útil del motor hidráulico.
Para resolver completamente el fenómeno de vacío y cavitación en la entrada de aceite del motor hidráulico, se propone una solución mejorada para el uso emparejado de la válvula de carga unidireccional y la válvula tampón: el aceite se suministra completamente a la entrada de aceite. del motor hidráulico a través de la válvula unidireccional, para evitar el fenómeno de vacío; la válvula reguladora no solo puede reducir el choque hidráulico causado por la válvula direccional electrohidráulica en la posición neutral, sino que también hace que el motor hidráulico frene suavemente; La válvula direccional electrohidráulica adopta la función neutral tipo M. El esquema de mejora se muestra en la Figura 3.

1/2. Válvula de retención de tampón 3/4. Válvula de retención de carga 5. Válvula de contrapresión 6. Válvula reguladora
Figura 3: diagrama esquemático del esquema de mejora
En el plan de mejora, la válvula tampón 6 y cuatro válvulas unidireccionales forman un circuito de suministro de aceite tampón de puente completo. La válvula de retención del tampón 1 o 2 puede garantizar que el aceite a alta presión en la cámara izquierda o derecha pueda pasar a través de la válvula de retención 6, y el flujo inverso es bloqueado por la válvula de retención del lado de baja presión, es decir, el el aceite en el lado de alta presión no puede pasar a través del lado de baja presión La válvula de retención de tampón fluye hacia la línea de baja presión en ese lado. La válvula de retención de carga (3 o 4) desempeña el papel de carga en dos direcciones (el motor hidráulico debe estar en avance y retroceso, y se deben configurar dos válvulas de retención de carga) para reponer la tubería lateral de baja presión y su carga presión Se ajusta mediante la válvula de contrapresión 5, y la contrapresión del reabastecimiento de aceite generalmente se establece en 0.3 ~ 0.5MPa. Debido a la contrapresión de la reposición de aceite, este circuito de aceite puede desempeñar el papel de reposición completa de aceite. El aceite a alta presión generado por la inercia del motor hidráulico pasa por la válvula de retención 1 o 2 y luego es sometido a un desbordamiento que limita la presión por la válvula de compensación 6. La presión establecida de la válvula de compensación 6 limita la presión máxima en la salida del motor hidráulico. La magnitud de la presión establecida determina la magnitud del par de frenado del motor. Esta solución mejorada no solo puede desempeñar un papel de amortiguación, sino que también puede alcanzar el propósito de completar el suplemento de aceite.