Vistas:216 Autor:Editor del sitio Hora de publicación: 2018-04-13 Origen:Sitio
Embalaje/envío de la máquina cizalla hidráulica
Todas las máquinas que salen de fábrica vienen equipadas con un brazo escuadrador y un panel para los pies atados al protector de manos. Las herramientas de trabajo y el manual de operación están empaquetados en una sola caja.
Todas las superficies expuestas de la máquina están recubiertas con un protector contra el óxido, que se puede quitar fácilmente con queroseno o solvente.
Elevación de la cizalla hidráulica
Utilice únicamente cables de acero aprobados y seguros para levantar esta máquina desde dos puntos de elevación ubicados en ambos bastidores laterales de la máquina.


Base
Todas nuestras tijeras están diseñadas para utilizar la base. Detalles, consulte el plano de base adjunto.
Instalación
Esta cizalla hidráulica debe estar correctamente nivelada para dar un buen corte. La nivelación se realiza colocando un buen indicador de nivelación en el área de sujeción de la placa. Siempre prepare previamente cinco piezas de placa base (dimensión 150x150x9 mm, mínimo) debajo de la base de la máquina para evitar que el tornillo nivelador se clave en el piso de concreto.
Al finalizar la nivelación, se debe colocar una mezcla de lechada de cemento debajo y alrededor de los pies para mantener la posición nivelada correcta.
instalacion electrica
Asegúrese de que el suministro de energía local sea adecuado para esta cizalla hidráulica antes de encenderla. Conecte el cable de alimentación a la parte inferior izquierda del panel eléctrico.
Algunas máquinas pueden requerir un cable N (neutro).
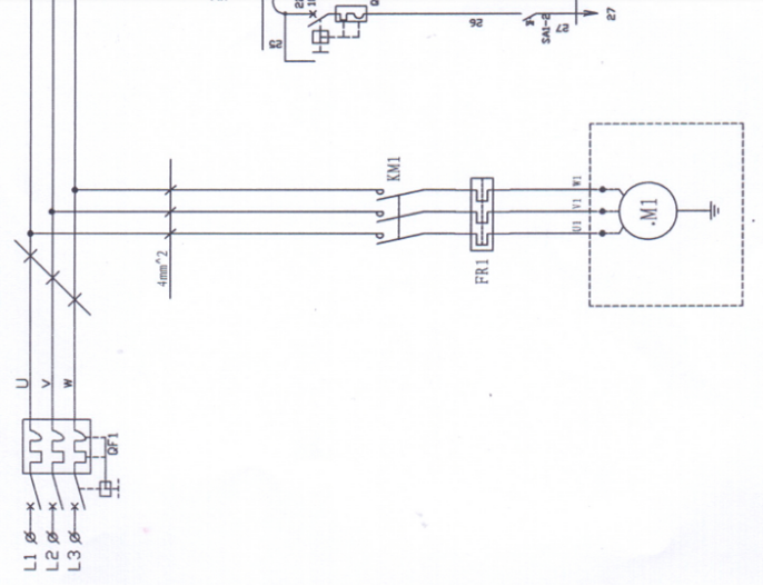
Esquema eléctrico de la cizalla hidráulica.


Los siguientes pasos son responsabilidad del propietario y deben ser realizados por personal especializado.
Verifique la placa de identificación de la máquina cizalla hidráulica y confirme que el cableado de la máquina
Corresponde a la potencia disponible en su instalación.
Si la potencia requerida no cumple con los requisitos de la máquina, comuníquese con su proveedor de electricidad.
La energía que ingresa a la máquina debe estar fusionada para que la máquina pueda desconectarse completamente para su reparación.
Los planos eléctricos comprueban los siguientes accesorios, los diferentes controladores tienen planos diferentes.
La instalación de una cizalla hidráulica implica varios pasos para garantizar una configuración adecuada y un funcionamiento seguro. A continuación se muestra una guía general para el proceso de instalación:
1. Preparación
1.1 Evaluación del sitio
Ubicación: Elija una superficie estable y nivelada con suficiente espacio para la operación y el mantenimiento.
Fuente de alimentación: Asegúrese de que esté disponible una fuente de alimentación adecuada (voltaje y fase).
1.2 Herramientas y equipos
Reúna las herramientas necesarias (llaves, destornilladores, niveles, etc.) y el equipo de seguridad (guantes, gafas protectoras).
2. Desembalaje e inspección
Desempaque la máquina: Retire con cuidado la máquina de su embalaje.
Inspeccionar en busca de daños: verifique si hay daños durante el envío o piezas faltantes. Informar problemas al proveedor.
3. Posicionamiento
Mueva la máquina: utilice equipo de elevación adecuado para colocar la máquina en el área designada.
Nivele la máquina: utilice un nivel para asegurarse de que la máquina esté perfectamente horizontal. Ajuste las patas niveladoras según sea necesario.
4. Conexiones hidráulicas
Conecte las líneas hidráulicas:
Identifique los puertos de entrada y salida hidráulica.
Utilice mangueras de alta presión para conectarse a la unidad de potencia hidráulica.
Asegúrese de que todas las conexiones estén seguras y libres de fugas.
5. Conexiones eléctricas
Alambrado:
Siga el diagrama de cableado del fabricante.
Conecte la máquina a la fuente de alimentación, asegurándose de que todas las conexiones eléctricas sean seguras y cumplan con las regulaciones locales.
6. Configuración de controles
Instale el panel de control: si está separado, monte el panel de control en una posición accesible.
Configuración: configure las funciones programables de acuerdo con las instrucciones del fabricante.
7. Pruebas
Comprobaciones iniciales: Inspeccione todas las conexiones (hidráulicas y eléctricas) antes de encender.
Encendido: Encienda la máquina y verifique si hay ruidos inusuales o fugas.
Operación de prueba: Realice una prueba de funcionamiento sin material para garantizar que la máquina funcione sin problemas.
8. Controles de seguridad
Protectores de seguridad: asegúrese de que todos los protectores de seguridad y paradas de emergencia estén funcionales.
Capacitación de operadores: Capacite a los operadores sobre operación segura y procedimientos de emergencia.
9. Configuración de mantenimiento
Programa de mantenimiento regular: Establezca una rutina de mantenimiento basada en las recomendaciones del fabricante.